概述
为适应用电管理工作的需要,利用技术手段解决电费回收难,尤其是用电大户数额大又难于控制的情况,公司研发了ZW8-12(YZD)型户外高压预付费控制装置。本产品适用于交流50Hz,6-10kv电力系统中作为预付费高压计量或配网自动化工程中的自动重合器使用,主机由ZW8-12真空断路器、用于计量的干式电压互感器、电流互感器等组成,一体化安装,箱体上部为真空断路器,下部为互感器室,外部装有手动分合闸弹簧机构,控制箱分体安装,可按用户要求加装预付费电表做为预付费计量用,预付费电表也可由用户自已安装。
高压真空断路器为弹簧机构,机械闭锁,箱体内分为开关室、互感器室。互感器室内由两台干式电压互感器及两台干式电流互感器组成,电压互感器同时设置绕组做为断路器的分合闸机构的电源,其整体外形小巧、安装方便。电压互感器VN接线,电流互感器可制成多变比结构,以适应不同的负载需要。
控制装置内由预付费电表及断路器控制电路组成,控制装置与真空开关相互连接采用金属铠装电缆,有效地实现先购电后使用的功能,有效地避免拖欠电费现象。
产品功能与特点
1、本系统由高压计量控制装置,真空断路器组成一体化结构,与其他如隔离开关和避雷器等电器设备配套能完成高压直供用户的电能计量和预购电工作。
2、采用电能表进行计量和结算。
3、用户通过购电卡实现先买电后用电,每个计量箱配一张购电卡、互不通用。
4、购电量数据一次有效,插卡确认后自动抹去,并且防磁防静电和加密后无法破译的功能。
5、用户插卡送电后可将卡拔出并妥善保存,以备下次购电时使用。购电卡损坏或损失,可到售电部门根据用户档案进行补卡。
6、用户可随时通过装置显示屏查看剩余电量、已用电量及其它用电参数。
7、剩余电量达到报警门限时,具有声光报警,提醒用户及时购电。
8、装置购电量为零时,能可靠断开用户的负荷电流。从而解决了长期困扰用户拖欠电费的问题。
9、防窃电功能。由于该装置采用的是用户外变压器侧计量,表计安装于封闭的计量箱之内,可以从根本上解决防窃电问题。
产品型号及含义

使用环境条件
1、环境温度:-40℃+40℃:
2、海拔不超过2000m,2000以上与用户协商
3、风压不超过700Pa(相当于风速34m/s)
4、相对温度日平均值不大干95%,月平均值不大于90%;
5、空气污秽程川级:
6、周围空气不应受腐蚀性气体或可燃性气体等明显污染
7、无经常性剧烈振动。
机械特性参数表
| 名称 | 单位 | 数据 | |
| 触头开距 | mm | 11±1 | |
| 触头接触行程 | mm | 3+13 | |
| 平均分闸速度 | m/s | 1.1±0.3 | |
| 平均合闸速度 | 07±0.15 | ||
| 触头合闸弹跳时间 | ms | ≤2 | |
| 三相分闸不同期性 | ≤2 | ||
| 合闸时间 | 25~50 | ||
| 分闸时间 | 15~50 | ||
| 全开断时间 | ≤100 | ||
| 燃弧时间 | ≤20 | ||
| 各相导电回路电阻 | B相 | μΩ | ≤150 |
| A、C相 | ≤350 | ||
主要技术参数
| 名称 | 单位 | 数据 | |
| 额定电压 | kV | 12 | |
| Imin工频耐压 | 相间、对地 | kV | 42 |
| 断口 | 48 | ||
| 雷电冲击耐压 | 相间、对地 | 75 | |
| 断口 | 85 | ||
| 额定频率 | Hz | 50 | |
| 额定短路电流开断次数 | 次 | 30 | |
| 二次回路1min工频耐压 | kV | 2 | |
| 额定电流 | A | 630、1250 | |
| 额定短路开断电流 | kA | 20 | |
| 额定短路关合电流(峰值) | 50 | ||
| 额定短时耐受电流 | 20 | ||
| 额定峰值耐受电流 | 50 | ||
| 额定操作顺序 | 分-0.3S-合分-180S合分 | ||
| 额定操作电压 | v | ~220 | |
| 过电流脱扣器动作电流 | A | 5 | |
| 过电流脱扣器脱扣电流准确度 | % | ±10 | |
| 机械寿命 | 次 | 10000 | |
| 质量 | kg | 210 | |
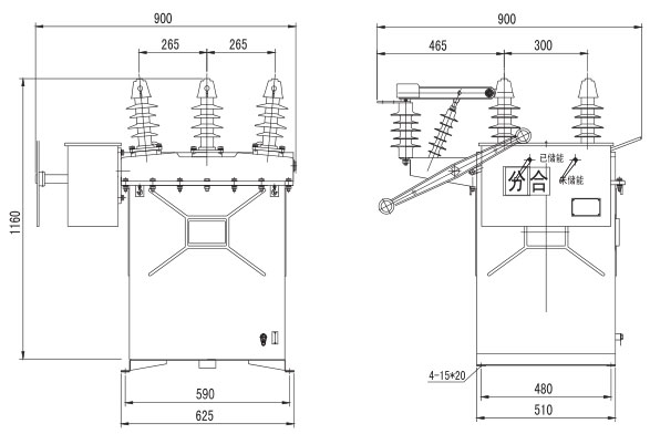
外形及安装尺寸

图1 ZW8-12(YZD)控制箱外形图 
图2 ZW8-12(YZD)断路器安装尺寸

图3 ZW8-12(YZD)户外真空断路器
图4 ZW8-12G(YZD)户外真空断路器
订货须知
1、产品的型号、名称、数量、额定电压和额定电流。
2、电流互感器变比
3、是否带预付电表
4、合同要求的备品备件


400-101-0306

bg真人平台
电话
产品